Trimble Business Center

 View Only
Expand all | Collapse all

Feature Request - List Elevations when using Contours by Crossing

  • 1.  Feature Request - List Elevations when using Contours by Crossing

    Posted 12-31-2019 13:26

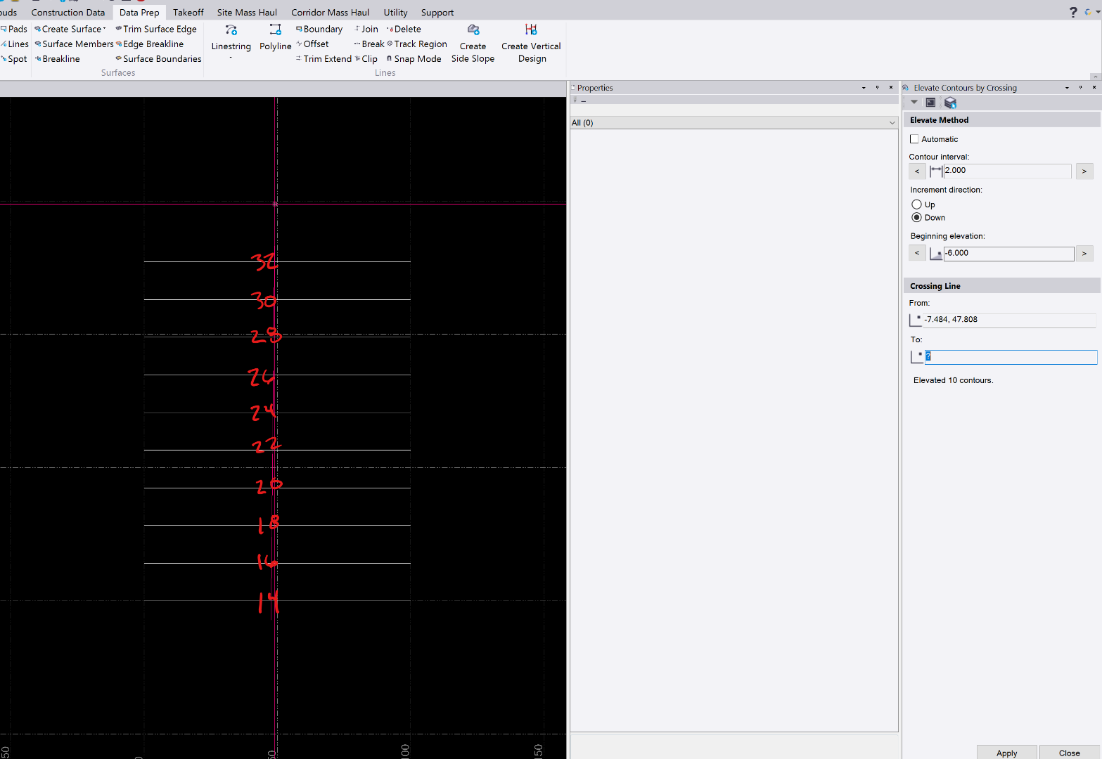
    I use the contours by crossing command a lot when working with pdf files but I'm constantly stopping to double check that the contours are set correctly  with the properties window.  It would be very helpful for me for the command window to produce a list of contour elevations that have been raised to grade with the last run.  Something similar to the results/history window in the Measure Distance command.  The user could quickly glance and see everything is being raised correctly.  



  • 2.  Re: Feature Request - List Elevations when using Contours by Crossing

    Posted 01-02-2020 13:48

    Would also like to see this



  • 3.  Re: Feature Request - List Elevations when using Contours by Crossing

    Posted 01-04-2020 08:45

    What would you want to see there and can you explain how that would help - I am not clear on the request

     

    i select the from and to location

    it finds the two previously elevated contours to determine some start point - it then looks at the number of contours selected and works out what elevation interval to use and the elevation to assign to each contour and then executed

     

    what goes in the report you are asking for and how does it help?

     

    alan



  • 4.  Re: Feature Request - List Elevations when using Contours by Crossing

    Posted 01-07-2020 07:57

    The auto works well but you have to have both a start and stop line that is elevated which is not always the case

     

    Two ideas:

    • Have this command label these contours in this spot. This would allow a user to look back and see if things look correct. If not simply undo and retry
    • Have phantom text that gives you a preview before the user hits apply
      • Maybe a toggle to turn on and off this feature

     

     Then the user could hit apply with confidence. 

     



  • 5.  Re: Feature Request - List Elevations when using Contours by Crossing

    Posted 01-07-2020 10:03

    The problem I usually have is that the pdf line work I get is often times really bad.  Lines on top of lines that the project cleanup does not catch since they are not directly on top of each other.  This leads to contours getting off of sync and being raised to the wrong grade.  The only way to spot the mistake is to double check every so often and then back track when a problem is found. If the command pane shows the elevations that have been assigned to the contours in real time the user can see if things are getting off.  You expect the contours from 278 to 280 to be assigned to the contours but when you get 278 to 281 then you know something is off.

     

    I like Patrick's idea of labeling the contours as you use the command.  You can technically do this using the Toggle line Markings button but they only appear at the end points.  It's helpful on small projects but bigger jobs you have to pan too often.  His way they show up where you raise them.  It could be a problem where contours are very close together on purpose though as text would be on top of text.  The preview idea could work too but not sure which option would be easier to code.

     

    See pdf image of what I originally had in mind;  I apologize for the poor jpg quality.  The output already shows how many lines are being raised but just adding which elevations are being applied right beneath it.  Having some kind of output so the user can more easily track what is being done would be a great help.   



  • 6.  RE: Re: Feature Request - List Elevations when using Contours by Crossing

    Posted 06-27-2023 19:34

    I agree with the above, was it enabled as an option?

    My preference would be a "toggle" option on the view tab, toggle on/off "text, elevation, vertices", etc

    Having a setting option whereby the z values only turn on once you zoom in a certain distance (i.e. 1:20 / 1:50 real world) would be great also  so when you zoom out, you don't see the data, but zoomed in you do.



    ------------------------------
    Julius Newman
    ------------------------------